禾田气动
EN
首页
ABOUT US
About us
Culture
Honor
Application
NEWS
company news
industry news
PRODUCT
Directional control element
Cylinder
Rotary cylinder/air gripper
Components for vacuum
F.R.L Components/Pressure Control Elements
Other
INQUIRY
CONTACT US
禾田气动
EN
ABOUT US
About us
Culture
Honor
Application
NEWS
company news
industry news
PRODUCT
Directional control element
Cylinder
Rotary cylinder/air gripper
Components for vacuum
F.R.L Components/Pressure Control Elements
Other
INQUIRY
CONTACT US
Rodless cylinder
/ PRODUCT INFO
首页
>
PRODUCT
>
Cylinder
>
Rodless cylinder
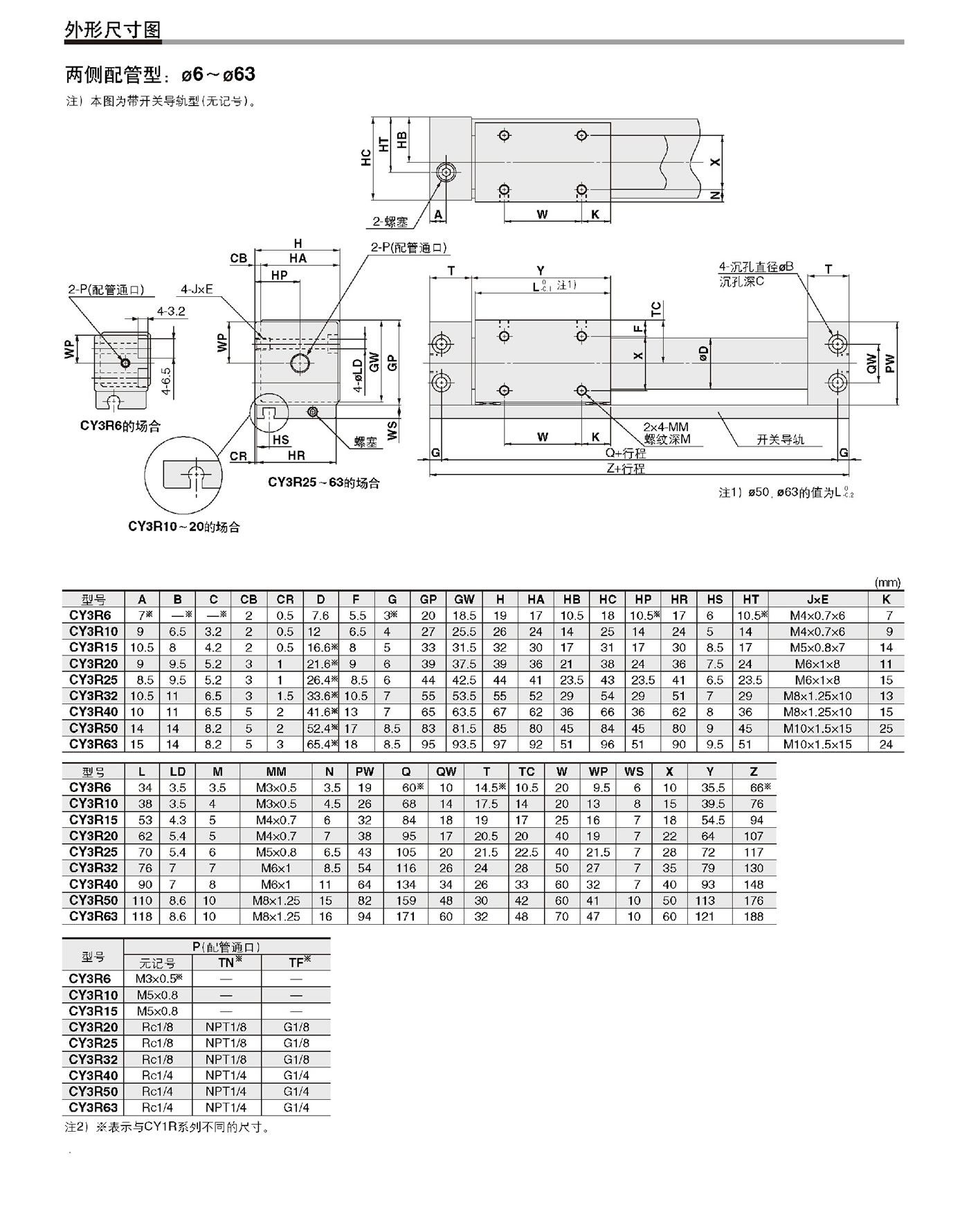
HCY1B_HCY3B(RMS) series magnetic couple type rodless cylinder
产品图片
3D预览
Details
产品详细介绍
为什么选择我们?
PRODUCTS
同类产品
Rodless cylinder
HMYIB Series Mechanically Engaged Rodless Cylinder_Basic Type
HCY1S Series Magnetic Couple Rodless Cylinder
HCY1R Series Magnetic Couple Rodless Cylinder_Direct Mounting Type
HCY1L Series Magnetic Couple Rodless Cylinder (Slide Rule Type_Ball Bearing)
产品中心
关于我们
资讯中心
TEL:
086-577-62693336
ADD:
Michuan Industrial Zone, Baishi Street, Yueqing City, Zhejiang Province
联系禾田
在线询价
扫码访问手机版
Copyright © 2018-2021 HETIAN All Rights Reserved.
京ICP证000000号
技术支持:
博远网络
网站首页
产品中心
电话咨询
联系我们
顶部